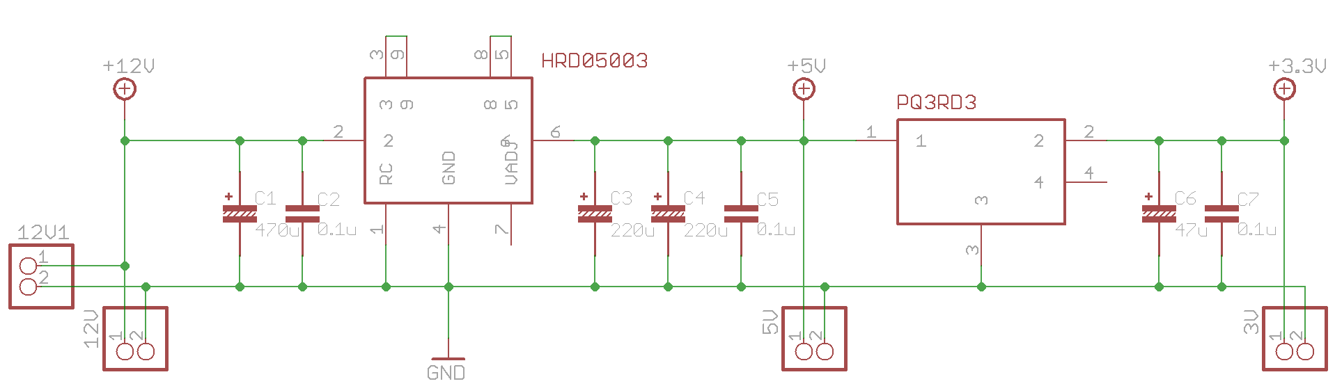
12V, 5V, 3.3V 電源
Raspberry Pi を中心にやってみようとしているところ | avr | raspberrypi | ham - 氾濫原 について、まず電源をつくった。
手元にサンハヤトのICB-90という基板がたくさんあるので、これに実装した。
とりあえずこれで Raspberry Pi を動かしてみたけど、スイッチング部分はちょっとあたたかいぐらいだった。
Eagle で配置を検討したら Print を Mirror とUpside down にチェックをいれて行うと裏面から見た感じがつくれるので配線が楽だった。あとなんか単位 (inch, mm) を切り替えながらやっていたらグリッドからずれることがあって困ったけど、これは Cmd を押しながら移動を行うことでグリッドにフィットするようだった。
関連エントリー
- Raspberry Pi を中心にやってみようとしているところ Raspberry Pi せっかくあるので、一応作りたい目標をもっていろいろ試してみてる。現時点での思惑を書いておく。 概要 無線機の周辺を...
- Quick Charge 2.0 電源から 12V とる 続きをかきました 500 Can't connect to lowreal.net:443 (certificate verify fail...
- Quick Charge 2.0 電源から 9V をとる (任意の電圧をとる) 500 Can't connect to lowreal.net:443 (certificate verify failed) というのを...
- SKR Mini E3 V3 の NeoPixel ピンの最大数 ボード組み込みで8個まで、BIGTREETECH DCDC5V V1.0 module をつけて30個までらしい。ref. https://...
- モバイルバッテリーのロードバランサ 5V モバイルバッテリーの並列接続をしたい。 普通に生きていると、5V 2A の出力を複数(4つ)合成して、5V 8A をとりだし、12V ...


